产品型号:GE...C 4-50
GEG...C 4-45
滑动磨擦副:钢/PTFE复合材料
产品特点:外圈材料为碳钢,挤压成形,球面衬有PTFE复合材料;内圈材料为轴承钢,淬火,球面镀硬铬。
使用温度范围:-50℃~+150℃


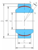
| 询价 | 轴承型号 | 外形尺寸 mm | 额定载荷 kN | 重量 ≈kg | ||||||||
|---|---|---|---|---|---|---|---|---|---|---|---|---|
| D | d: | B | c | dk | rs min | r1s min | α˚≈ | 动载荷 | 静载荷 | |||
| GE4C | 4 | 12 | 5 | 3 | 8 | 0.3 | 0.3 | 16 | 2.1 | 5.4 | 0.003 | |
| GE5C | 5 | 14 | 6 | 4 | 10 | 0.3 | 0.3 | 13 | 3.6 | 9.1 | 0.005 | |
| GE6C | 6 | 14 | 6 | 4 | 10 | 0.3 | 0.3 | 13 | 3.6 | 9.1 | 0.004 | |
| GE8C | 8 | 16 | 8 | 5 | 13 | 0.3 | 0.3 | 15 | 5.8 | 14 | 0.007 | |
| GE10C | 10 | 19 | 9 | 6 | 16 | 0.3 | 0.3 | 12 | 8.6 | 21 | 0.011 | |
| GE12C | 12 | 22 | 10 | 7 | 18 | 0.3 | 0.3 | 10 | 11 | 28 | 0.017 | |
| GE15C | 15 | 26 | 12 | 9 | 22 | 0.3 | 0.3 | 8 | 18 | 45 | 0.026 | |
| GE17C | 17 | 30 | 14 | 10 | 25 | 0.3 | 0.3 | 10 | 22 | 56 | 0.04 | |
| GE20C | 20 | 35 | 16 | 12 | 29 | 0.3 | 0.3 | 9 | 31 | 78 | 0.064 | |
| GE25C | 25 | 42 | 20 | 16 | 35.5 | 0.6 | 0.6 | 7 | 51 | 127 | 0.115 | |
| GE30C | 30 | 47 | 22 | 18 | 40.7 | 0.6 | 0.6 | 6 | 65 | 166 | 0.149 | |
| GE35C | 35 | 55 | 25 | 20 | 47 | 0.6 | 1 | 6 | 84 | 211 | 0.228 | |
| GE40C | 40 | 62 | 28 | 22 | 53 | 0.6 | 1 | 7 | 104 | 262 | 0.318 | |
| GE45C | 45 | 68 | 32 | 25 | 60 | 0.6 | 1 | 7 | 135 | 337 | 0.421 | |
| GE50C | 50 | 75 | 35 | 28 | 66 | 0.6 | 1 | 6 | 166 | 415 | 0.562 | |